Selbstfreischaltung nach Registrierung vorübergehend abgeschaltet!
... deswegen werden aktuell eure neuen Registrierungen oben unter "Mitmachen" manuell eingerichtet.
Sorry für die Verzögerung.
Öffner o. Schließer Killswitch anklemmen an 450rr Bj.08
- haga
-
Autor
- Offline
- Neues Mitglied
-
Weniger
Mehr
- Beiträge: 2
- Dank erhalten: 0
30 Juli 2016 21:06 #1
von haga
Öffner o. Schließer Killswitch anklemmen an 450rr Bj.08 wurde erstellt von haga
Abend,
bin neu hier und besitze eine 450rr Bj. 2008 ,
Ich muss einen kill Schalter verbauen nur hab ich
keine Ahnung was ich brauche....Öffner oder Schließer ??
Habe beide Schalter hier und weis net wie ich vorgehen soll ....
Ich hoffe ihr könnt mir mit Tipps und Tricks weiterhelfen
Danke
haga
bin neu hier und besitze eine 450rr Bj. 2008 ,
Ich muss einen kill Schalter verbauen nur hab ich
keine Ahnung was ich brauche....Öffner oder Schließer ??
Habe beide Schalter hier und weis net wie ich vorgehen soll ....
Ich hoffe ihr könnt mir mit Tipps und Tricks weiterhelfen
Danke
haga
Bitte Anmelden um der Konversation beizutreten.
- chabbes
-
- Offline
- BetaBiker
-
- nur noch ALP 4.0
Weniger
Mehr
- Beiträge: 904
- Dank erhalten: 142
31 Juli 2016 14:24 #2
von chabbes
chabbes antwortete auf Öffner o. Schließer Killswitch anklemmen an 450rr Bj.08
Servus,
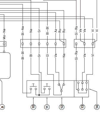
also der Killschalter an der Beta MY15 ist ein Schliesser... sollte bei den Alten ähnlich sein... schau mal
im Schaltplan Deiner 2008-er nach...
gugst Du da:
www.betabikes.de/index.php/kunena/teh/35...alter-zap-z-8025-cev
LG
chabbes
also der Killschalter an der Beta MY15 ist ein Schliesser... sollte bei den Alten ähnlich sein... schau mal
im Schaltplan Deiner 2008-er nach...
gugst Du da:
www.betabikes.de/index.php/kunena/teh/35...alter-zap-z-8025-cev
LG
chabbes
Bitte Anmelden um der Konversation beizutreten.
- chabbes
-
- Offline
- BetaBiker
-
- nur noch ALP 4.0
Weniger
Mehr
- Beiträge: 904
- Dank erhalten: 142
31 Juli 2016 14:33 - 31 Juli 2016 14:37 #3
von chabbes
chabbes antwortete auf Öffner o. Schließer Killswitch anklemmen an 450rr Bj.08
Anhänge:
Letzte Änderung: 31 Juli 2016 14:37 von chabbes.
Bitte Anmelden um der Konversation beizutreten.
- Schrammi
-
- Offline
- BetaBiker
-
- Yamaha YZ250F, div. DUCATIs
Weniger
Mehr
- Beiträge: 678
- Dank erhalten: 76
31 Juli 2016 17:39 #4
von Schrammi
Die Signatur, die Signatur, ist von unnützer Natur
Schrammi antwortete auf Öffner o. Schließer Killswitch anklemmen an 450rr Bj.08
Moin, ist ein Schließer.
Alles andere würde bei einer Sportenduro auch keinen Sinn machen, so kann man nämlich im Zweifelfall bei geflutetem Schalter diesen einfach abtrennen und der Bock läuft wieder.
Gruß
Jens
Alles andere würde bei einer Sportenduro auch keinen Sinn machen, so kann man nämlich im Zweifelfall bei geflutetem Schalter diesen einfach abtrennen und der Bock läuft wieder.
Gruß
Jens
Die Signatur, die Signatur, ist von unnützer Natur
Bitte Anmelden um der Konversation beizutreten.
- haga
-
Autor
- Offline
- Neues Mitglied
-
Weniger
Mehr
- Beiträge: 2
- Dank erhalten: 0
19 Aug. 2016 22:40 #5
von haga
haga antwortete auf Öffner o. Schließer Killswitch anklemmen an 450rr Bj.08
Abend,
erstmal herzlichen Dank für eure Hilfe !
Mache gestern de Lampenmaske da lachen mich zwei Stecker an....
Farben gecheckt und siehe da ... da war schonmal einer angeklemmt gewesen
erstmal herzlichen Dank für eure Hilfe !
Mache gestern de Lampenmaske da lachen mich zwei Stecker an....
Farben gecheckt und siehe da ... da war schonmal einer angeklemmt gewesen
Bitte Anmelden um der Konversation beizutreten.
- prophet
-
- Offline
- Premium Mitglied
-
23 Aug. 2016 11:42 #6
von prophet
prophet antwortete auf Öffner o. Schließer Killswitch anklemmen an 450rr Bj.08
Es sind übrigens die Kabel "schwarz" und "schwarz/weiss", falls da nochmal jemand nach suchen sollte!
Bitte Anmelden um der Konversation beizutreten.
.jpg)








